Welcome to the official website of Dongguan Gongfu Electronics Co., Ltd., automobile fuse, fuse, current fuse, fuse holder!
HOTLINE
0769 - 8239 1938
ProductsNow:Home > Products
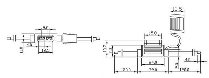
GF-708C (car fuse holder)

Product introduction
1.30A 32VDC
2.Trumpet blade fuse
3.PVC
4.Wire12-22#