Welcome to the official website of Dongguan Gongfu Electronics Co., Ltd., automobile fuse, fuse, current fuse, fuse holder!
HOTLINE
0769 - 8239 1938
ProductsNow:Home > Products
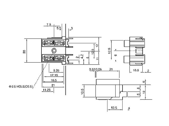
GF-705B (two-way car insert fuse holder)