Welcome to the official website of Dongguan Gongfu Electronics Co., Ltd., automobile fuse, fuse, current fuse, fuse holder!
HOTLINE
0769 - 8239 1938
ProductsNow:Home > Products
GFEVT1500-D-105E High speed fuse400A-2000A 1500Vdc

[附件: Download]


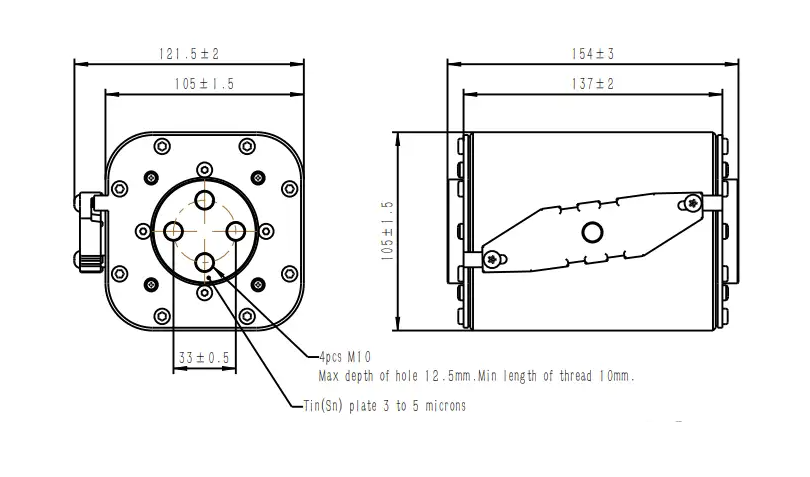
Dimensions (mm)



Description




  • Design For DC Applications
  • Low arc voltage and low energy let-through(I2t)
  • DC Drives
  • Battery pack protection
  • Excellent Dc Performance
  • Superior cycling capability
  • Application: Fast Acting

Standards / Approvals

  • Refer To UL 248-13, IEC 60269-4
  • Reach Declaration Available Upon Request
  • RoHS Compliant

Work/Storage condition

  • Work within the temperature -40℃ to +85℃ range
  • This product is a bolt connected fuse for partial range protection, with strong current limiting, high breaking capacity and other characteristics.
  • It is suitable for energy storage, wind power and other industry applications, which can be used as short-circuit protection for energy storage systems, power systems and other devices and equipments.

Fuse Ratings

Part No. Fuse Size Average @ 250KA/1500Vdc Power Loss (W) 1.0In
Amps A²s Melting A²s Clearing
GFEVVT1500-400D-105E 400 4 # 25,834 136,415 190
GFEVT1500-500D-105E 500 4 # 57,389 276,828 195
GFEVT1500-630D-105E 630 4 # 117,654 567,527 228
GFEVT1500-700D-105E 700 4 # 162,326 783,014 245
GFEVT1500-800D-105E 800 4 # 240,110 1,158,220 255
GFEVT1500-900D-105E 900 4 # 345,759 1,667,836 276
GFEVT1500-1000D-105E 1000 4 # 470,616 2,270,110 290
GFEVT1500-1100D-105E 1100 4 # 623,250 3,006,366 310
GFEVT1500-1200D-105E 1200 4 # 754,483 3,620,561 319
GFEVT1500-1250D-105E 1250 4 # 918,230 4,429,260 326
GFEVT1500-1300D-105E 1300 4 # 1,009,830 5,254,527 335
GFEVT1500-1350D-105E 1350 4 # 1,294,848 6,245,949 347
GFEVT1500-1400D-105E 1400 4 # 1,399,970 6,986,564 352
GFEVT1500-1500D-105E 1500 4 # 1,581,795 7,630,093 360
GFEVT1500-1600D-105E 1600 4 # 1,927,554 9,297,929 372
GFEVT1500-1800D-105E 1800 4 # 2,734,600 13,190,870 392
GFEVT1500-2000D -105E 2000 4 # 3,603,985 18,860,380 410