Welcome to the official website of Dongguan Gongfu Electronics Co., Ltd., automobile fuse, fuse, current fuse, fuse holder!
HOTLINE
0769 - 8239 1938
ProductsNow:Home > Products
GFEVT1500-S-105ES High speed fuse 400A-2000A 1500Vdc


[附件: Download]

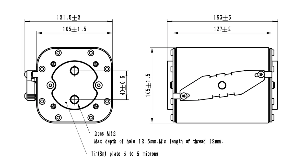
Dimensions (mm) size


Description



  • Design For DC Applications
  • Low arc voltage and low energy let-through(I2t)
  • DC Drives
  • Battery pack protection
  • Excellent Dc Performance
  • Superior cycling capability
  • Application: Fast Acting

Standards / Approvals

  • Refer To UL 248-13, IEC 60269-4
  • Reach Declaration Available Upon Request
  • RoHS Compliant

Work/Storage condition

  • Work within the temperature -40℃ to +85℃ range
  • This product is a bolt connected fuse for partial range protection, with strong current limiting, high breaking capacity and other characteristics.
  • It is suitable for energy storage, wind power and other industry applications, which can be used as short-circuit protection for energy storage systems, power systems and other devices and equipments.

Fuse Ratings

Part No. Fuse Size Average @ 50KA/1500Vdc Power Loss (W) 1.0In
Amps A²s Melting A²s Clearing
GFEVT1500-400S-105ES 400 4 # 25,840 136,400 198
GFEVT1500-500S-105ES 500 4 # 57,350 275,430 200
GFEVT1500-630S-105ES 630 4 # 117,640 563,500 232
GFEVT1500-700S-105ES 700 4 # 164,320 783,000 249
GFEVT1500-800S-105ES 800 4 # 242,100 1,160,250 256
GFEVT1500-900S-105ES 900 4 # 345,700 1,668,800 277
GFEVT1500-1000S-105ES 1000 4 # 470,500 2,290,100 293
GFEVT1500-1100S-105ES 1100 4 # 625,200 3,005,000 312
GFEVT1500-1200S-105ES 1200 4 # 752,500 3,600,200 320
GFEVT1500-1250S-105ES 1250 4 # 915,200 4,430,000 325
GFEVT1500-1300S-105ES 1300 4 # 1,005,500 5,230,500 338
GFEVT1500-1350S-105ES 1350 4 # 1,290,000 6,245,000 348
GFEVT1500-1400S-105ES 1400 4 # 1,350,900 6,980,500 354
GFEVT1500-1500S-105ES 1500 4 # 1,580,560 7,630,000 362
GFEVT1500-1600S-105ES 1600 4 # 1,940,500 9,295,950 375
GFEVT1500-1800S-105ES 1800 4 # 2,728,600 13,120,650 394
GFEVT1500-2000S-105ES 2000 4 # 3,300,980 18,560,370 412