东莞市贡福电子有限公司
电话:0769-82391938
0769-81100206
传真:0769-82391939
地址:东莞市寮步凫山星锐工业园B栋3楼
吕先生:15622511589
小吕:15622511110
陈先生:18922960825
江小姐:18922960826
E-mail:lvbin@fuse168.com
E-mail:gf@gfefuse.cn
E-mail:sales@gfefuse.cn
E-mail:jsr@gfefuse.cn
产品展示当前位置:首页 > 产品展示
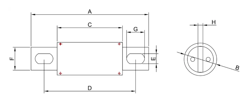
| S. | Amps | A±1.5 | B±1 | C±1 | D±1.5 | E±0.5 | F±0.5 | H±0.5 | G±0.5 |
| 20R | 35-60A | 111.00 | 20.00 | 70.00 | 90.50 | 8.50 | 15.00 | 3.00 | 13.0 |
| 26R | 70-150A | 114.00 | 26.00 | 66.00 | 90.00 | 8.50 | 20.00 | 3.00 | 12.0 |
| 38R | 125-400A | 129.00 | 38.00 | 72.00 | 100.50 | 10.50 | 25.00 | 6.00 | 20.0 |
| 51R | 225-800A | 129.00 | 51.00 | 72.00 | 100.50 | 10.50 | 40.00 | 6.00 | 20.0 |
| Rated Current | Catalog no. | Average @50KA/750Vdc | Power Loss W | Approvals | ||
| Melting A²S | Clearing A²S | ROHS | ||||
| 20 mm diameter case | ||||||
| 35 | 35A | GFEVF750-35A-20R | 45 | 205 | 14 | ● |
| 40 | 40A | GFEVF750-40A-20R | 92 | 360 | 15 | ● |
| 50 | 50A | GFEVF750-50A-20R | 192 | 735 | 19 | ● |
| 60 | 60A | GFEVF750-60A-20R | 290 | 1130 | 20 | ● |
| 26 mm diameter case | ||||||
| 70 | 70A | GFEVF750-70A-26R | 370 | 2100 | 22 | ● |
| 80 | 80A | GFEVF750-80A-26R | 410 | 2520 | 25 | ● |
| 90 | 90A | GFEVF750-90A-26R | 560 | 3040 | 29 | ● |
| 100 | 100A | GFEVF750-100A-26R | 720 | 4500 | 32 | ● |
| 125 | 125A | GFEVF750-125A-26R | 1850 | 9075 | 35 | ● |
| 150 | 150A | GFEVF750-150A-26R | 2050 | 12375 | 42 | ● |
| 38 mm diameter case | ||||||
| 125 | 125A | GFEVF750-125A-38R | 1720 | 8250 | 32 | ● |
| 150 | 150A | GFEVF750-150A-38R | 1850 | 11250 | 40 | ● |
| 175 | 175A | GFEVF750-175A-38R | 4326 | 17535 | 45 | ● |
| 200 | 200A | GFEVF750-200A-38R | 5665 | 22660 | 48 | ● |
| 225 | 225A | GFEVF750-225A-38R | 8180 | 33365 | 58 | ● |
| 250 | 250A | GFEVF750-250A-38R | 11031 | 45176 | 67 | ● |
| 300 | 300A | GFEVF750-300A-38R | 18491 | 75683 | 83 | ● |
| 350 | 350A | GFEVF750-350A-38R | 24899 | 100733 | 98 | ● |
| 400 | 400A | GFEVF750-400A-38R | 32569 | 131000 | 115 | ● |
| 51 mm diameter case | ||||||
| 225 | 225A | GFEVF750-225A-51R | 8020 | 32330 | 52 | ● |
| 250 | 250A | GFEVF750-250A-51R | 10815 | 43775 | 60 | ● |
| 275 | 275A | GFEVF750-275A-51R | 14100 | 52390 | 70 | ● |
| 300 | 300A | GFEVF750-300A-51R | 18128 | 73336 | 75 | ● |
| 350 | 350A | GFEVF750-350A-51R | 24411 | 98468 | 88 | ● |
| 400 | 400A | GFEVF750-400A-51R | 31930 | 128750 | 105 | ● |
| 450 | 450A | GFEVF750-450A-51R | 37492 | 141110 | 120 | ● |
| 500 | 500A | GFEVF750-500A-51R | 46556 | 175100 | 135 | ● |
| 550 | 550A | GFEVF750-550A-51R | 53045 | 199206 | 142 | ● |
| 600 | 600A | GFEVF750-600A-51R | 68701 | 257500 | 150 | ● |
| 630 | 630A | GFEVF750-630A-51R | 69340 | 285500 | 160 | ● |
| 700 | 700A | GFEVF750-700A-51R | 76500 | 347600 | 170 | ● |
| 800 | 800A | GFEVF750-800A-51R | 93560 | 415000 | 205 | ● |
电话:0769-82391938 0769-81100206
传真:0769-82391939
吕先生:15622511589 lvbin@fuse168.com
小吕:15622511110 gf@gfefuse.cn
陈先生:18922960825 sales@gfefuse.cn
江小姐:18922960826 jsr@gfefuse.cn

中文
EN
全国销售与服务热线